產品分類product list
DZ系列電磁振動給料機廣泛應用于礦山、冶金、煤炭、建材、輕工、電力、機械、糧食等各行各業中,用于塊狀、顆粒狀及粉狀物料從儲料倉或漏斗中均勻連續或定量地給定到受料裝置中去。例如:皮帶式輸送機、斗式提升機、篩分設備、破碎機、粉碎機等給定、喂料!以及用于自動配料,定量包裝等,并可用于自動控制流程中,實現生產流程的自動化。
DZ電磁振動給料機與機械式給料機相比具有以下特點:
1、節能**,使用簡單、投資少、體積小、重量輕、維修方便;
2、無轉動零件,不需軸承、減速機構,不需潤滑油等;
3、耗電量少,啟動電流小,噪音低;
4、給料槽磨損小,適用于輸送磨損性大的物料;
5、輸送量或給料方便,若與電子秤或微機控制等,設備配套實現自動控制; 6、激振器啟動后振幅瞬時即時可達到穩定什值,同樣在停車時振幅瞬時消失,這樣可提高自動控制的準確度,同時給料機可在滿負荷情況下直接啟動。
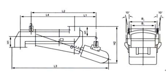
(敞口式)外形尺寸圖:

(密封型)外形尺寸圖:

要技術參數:
型號 | 生產率≤T/h | 給料 粒度 | 雙振幅 | 供電 電壓 | 電流 | 功率 | 配套控制和型號 | 重量 | 外 型 尺 寸 | |||||||||
水平 0° | -10° | 工作電流 | 表示電流 | L1 | L2 | L3 | L4 | h3 | h4 | B1 | B2 | |||||||
DZ0 | 5 | 7 | 50 | 1.75 | 220 | 1.34 | 1 | 0.06 | XK35 | 75 | 910 | 600 | 200 | 550 | 100 | 360 | 200 | 230 |
DZ1 | 10 | 14 | 50 | 3.0 | 2.3 | 0.15 | 146 | 1175 | 800 | 310 | 660 | 120 | 450 | 300 | 388 | |||
DZ2 | 25 | 35 | 75 | 4.58 | 3.8 | 0.25 | 217 | 1325 | 900 | 311 | 790 | 150 | 520 | 400 | 496 | |||
DZ3 | 35 | 50 | 85 | 6.8 | 5.5 | 0.35 | 300 | 1460 | 1000 | 350 | 870 | 175 | 580 | 450 | 550 | |||
DZ4 | 50 | 70 | 100 | 8.4 | 7 | 0.45 | 412 | 1615 | 1100 | 413 | 960 | 200 | 645 | 500 | 620 | |||
DZ5 | 100 | 140 | 150 | 12.7 | 10.6 | 0.65 | 656 | 1815 | 1200 | 465 | 1050 | 250 | 765 | 700 | 850 | |||










營銷部
電 話:0373-7039681 0373-7039688
傳 真:0373-7039680
銷售部
手機號碼:13803801680(岳經理)
技術咨詢:岳工 15637331579 申工 15565285088
公司郵箱:xxbltaaa@xxblt.com
公司地址:鳳泉區產業工業園區
華北駐沈陽辦事處
岳經理 13803802837
華南駐長沙辦事處
岳經理 13803802837
華東駐杭州辦事處
狄經理 13803801293
西北駐西安辦事處
畢經理 18238777782
西南駐貴陽辦事處
韓經理13781994938